产品中心 | 联系我们 您好,欢迎访问东莞市超翔电子有限公司官方网站,我们将竭诚为您服务!
风华高科授权代理商 一站式电子元器件整合供应商
全国咨询热线:0769-85325266
您的位置: 首页>产品中心>风华电容>MLCC
MLCC

中高压多层片式陶瓷电容器

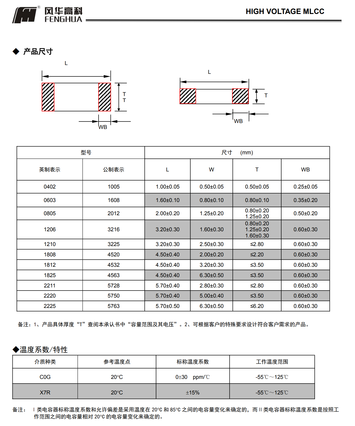
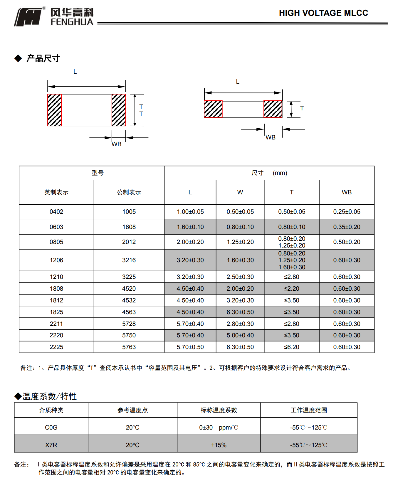
■中高压系列片式陶瓷电容器◆特征* 中高压多层片状陶瓷电容器是在多层片状陶瓷电容器的工艺技术、设备基础上,通过采用特殊设计制作出来的一种具有良好高压可靠性的产品,该产品适合于表面贴装,适合于多种直流高压线路,可以有效的改善电子线路的性能。* 叠层独石结构,具有高可靠性能* 具有优良的焊接与耐焊性能,适用于

在线咨询全国热线
0769-85325266
产品描述

■中高压系列片式陶瓷电容器

中高压多层片式陶瓷电容.png

◆特征

* 中高压多层片状陶瓷电容器是在多层片状陶瓷电容器的工艺技术、设备基础上,通过采用特殊设计制作出来的一种具有良好高压可靠性的产品,该产品适合于表面贴装,适合于多种直流高压线路,可以有效的改善电子线路的性能。

* 叠层独石结构,具有高可靠性能

* 具有优良的焊接与耐焊性能,适用于回流焊接与波峰焊接

* 具有较高的容量且容量性能稳定

* 执行标准:GB/T 21041-2007 GB/T 21042-2007


◆应用

* 模拟或数字调制解调器

* 局域网/广域网接口界面

* 日光灯启动辉器照明电路

* 倍压电器

* 直流变送器

* 背光源驱动电路


在线客服
联系方式

热线电话

0769-85325266

上班时间

周一到周六

手机号码

13712101206

微信二维码
线