■ 片式排容

◆ 特征
* 叠层独石结构,具有高可靠性能
* 具有优良的焊接与耐焊性能,适用于回流焊接与波峰焊接
* 具有较高的容量且容量性能稳定
* 节约空间:可以节省高达 50%的 PCB 空间位置, 提高装配密度
* 更高的体积比容: 安装一块 CA 等于安装 4 块 0603 片容,减少安装次数,提高安装效率
* 降低成本: 减少放置的次数;缩短生产时间;减少设备管理费用;减少 PCB 费用
* 安装简易: 可进行 SMT 编带包装,由贴片机高速贴片
* 提高线路板工作效率: 可以减少印刷的线路。提高线路板的运转速度,提高工作效率
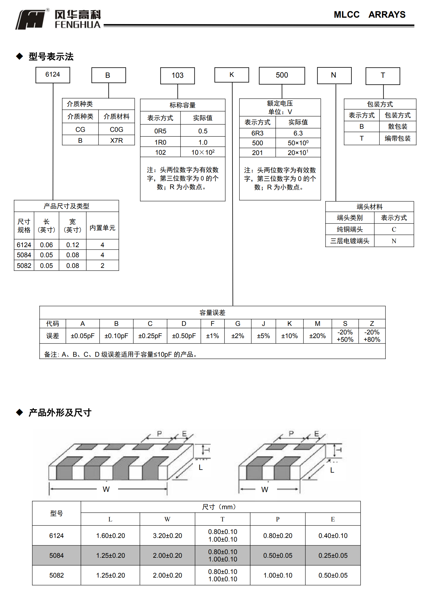
* 执行标准:GB/T 21041-2007 GB/T 21042-2007
◆ 应用
* 适用于对元器件空间要求严格的 PCB,如手提电脑、PDA、无绳电话
* 特别适用于输入、输出接口电路








